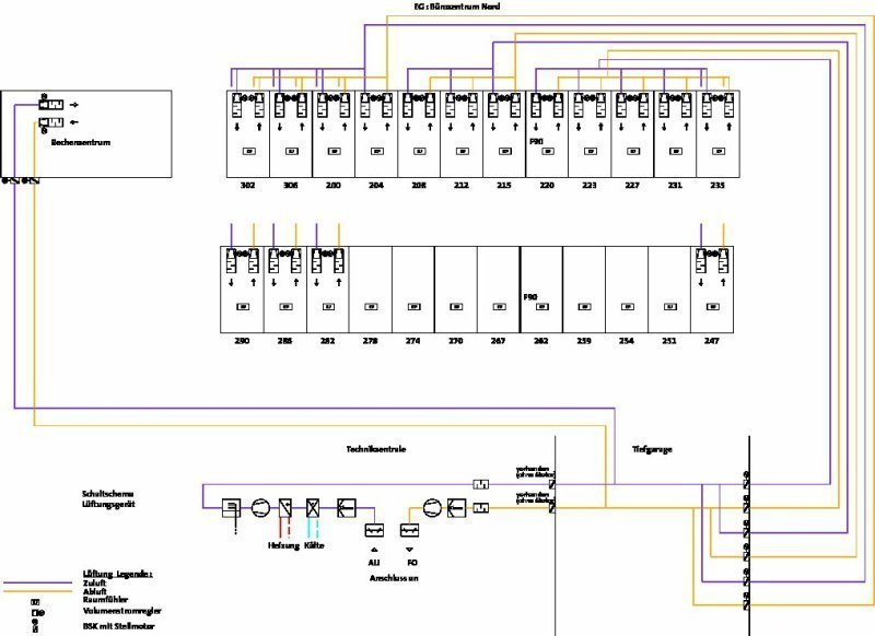
Energieeinsparung im Verwaltungshochhaus
Die Revitalisierung einer FirmenzentraleIm Februar 2008 wurde die Revitalisierung der Zentralen Geschäftsniederlassung (ZGN) der MVV Energie Mannheim abgeschlossen. Das Verwaltungshochhaus (VHH) wurde nach den neuesten Brandschutz- und bautechnischen Standards saniert, das Neckarvorlandgebäude (NVL) renoviert. Besonders im Hinblick auf die Energieeinsparmaßnahmen beschritten die Verantwortlichen bei der Gebäudeerneuerung neue Wege.
Architektur
Als 1966 die ersten Mitarbeiter in das damals neu erbaute Verwaltungshochhaus der Stadtwerke Mannheim am Neckarufer einzogen, war die Architektur und technische Ausführung „state of the art“. Die Architektengemeinschaft Hans Mitzlaff, Albrecht Lange sowie Wilhelm und Karl Schmucker plante und verwirklichte den Neubau: Inmitten eines 5000 m2 großen Flachbaues erhob sich nach zwei Jahren Bauzeit das neue Verwaltungshochhaus mit 17 Stockwerken. Schon damals waren die Büroräume als Großraumbüros konzipiert, um in der Nutzung flexibel zu sein. Die Überlegungen der Planer bezogen...
Jetzt Artikel freischalten:
tab DIGITAL
14 Tage kostenlos testen
2,49 € / Woche*
Fachwissen jederzeit und überall.
Greifen Sie auf exklusive PLUS-Artikel und das komplette Online-Archiv zu und lesen Sie tab bequem im E-Paper-Format. Das digitale Abo für alle, die flexibel bleiben möchten.
Ihre Vorteile:
- Exklusive tab-PLUS-Artikel
- 6 E-Paper für mobiles Lesen
- Online-Archivzugang
*129,48 € bei jährlicher Abrechnung inkl. MwSt.
tab KOMBI
4,99 € / Woche*
Das komplette tab-Erlebnis – digital & gedruckt.
Für alle, die Fachinformationen auf allen Kanälen nutzen möchten: Kombinieren Sie Print und Digital, profitieren Sie von unseren Fachforen und präsentieren Sie Ihr eigenes Projekt.
Ihre Vorteile:
- Exklusive tab-PLUS-Artikel
- 6 Print-Ausgaben pro Jahr
- E-Paper für mobiles lesen
- Teilnahme an einem Fachforum
- Online-Archivzugang
- Veröffentlichen eines Projekts
*259,48 € bei jährlicher Zahlung inkl. MwSt. & Versand
